洲明科技获得发明专利授权:“像素驱动电路和显示设备”
2025年08月16日 | 浏览量:66157

图片来源于网络,如有侵权,请联系删除
证券之星消息,根据天眼查APP数据显示洲明科技(300232)新获得一项发明专利授权,专利名为“像素驱动电路和显示设备”,专利申请号为CN202211681682.8,授权日为2025年8月15日。
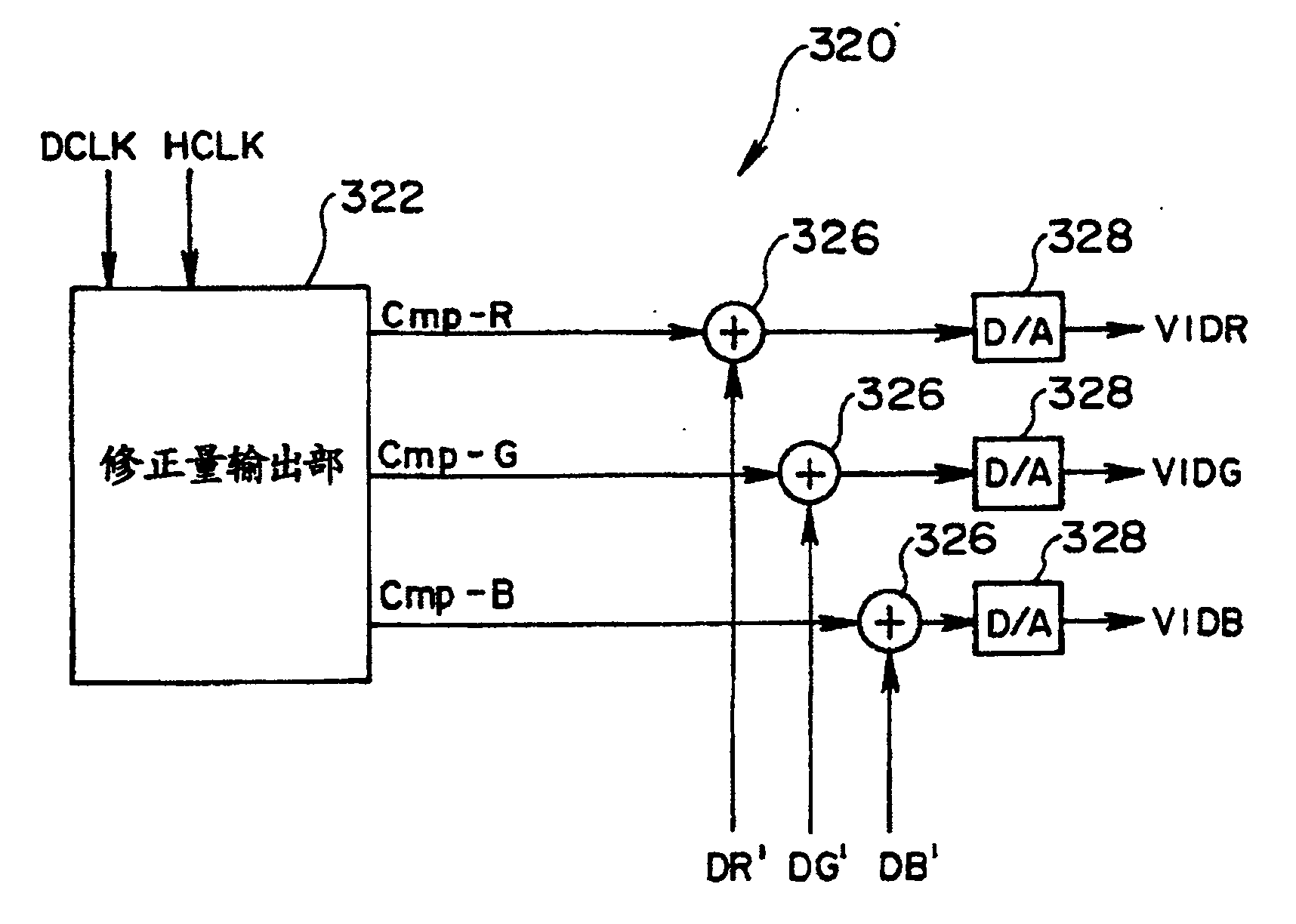
专利摘要:本发明涉及一种像素驱动电路和显示设备,包括预处理模块、驱动模块、电位存储模块和发光控制模块,发光控制模块用于接入电压输入信号,并用于连接发光元件。其中,预处理模块接入预处理信号,并根据预处理信号控制驱动模块工作,驱动模块在工作时,接收电压补偿信号,电压补偿信号用于对驱动模块进行电压补偿,电位存储模块存储电压补偿信号对驱动模块进行电压补偿后的电位,发光控制模块在导通后,根据电位存储模块存储的电位和电压输入信号控制发光元件工作。该像素驱动电路及显示设备通过设置电压补偿信号对驱动模块进行电压补偿,可以减小驱动模块由于自身性能不稳定对发光元件的影响,从而提高传输至发光元件的电流质量。

图片来源于网络,如有侵权,请联系删除
今年以来洲明科技新获得专利授权124个,较去年同期增加了14.81%。结合公司2024年年报财务数据,2024年公司在研发方面投入了3.76亿元,同比减6.37%。
通过天眼查大数据分析,深圳市洲明科技股份有限公司共对外投资了30家企业,参与招投标项目1954次;财产线索方面有商标信息199条,专利信息1786条,著作权信息425条;此外企业还拥有行政许可30个。
数据来源:天眼查APP
以上内容为证券之星据公开信息整理,由AI算法生成(网信算备310104345710301240019号),不构成投资建议。
本文来源:财富通途网
本文地址:https://www.ibradsap.com/post/33689.html
关注我们:微信搜索“xiaoqihvlove”添加我为好友
版权声明:如无特别注明,转载请注明本文地址!

